缓冲阀
缓冲阀
HFS10型缓冲阀
缓冲阀HFS10型缓冲阀【缓冲阀上海弘新阀门有限公司
|
按照科学的发展观,中国为确保今后经济协调发展及改善人民生活的需要,必然将基础设施建设,如水、电、气、热等放在重中之重,这恰恰是阀门的用武之地。 |
|

|
|
|
型 号:HFS10型 |
|
口 径:DN10 |
|
压 力:1.0-50MPa |
|
连接形式:螺纹 |
|
结构形式:自作用式 |
|
密封结构:软密封、硬密封 |
|
可选驱动:电动 |
|
材质可选:铸钢、不锈钢 |
|
上海弘新阀门有限公司 |
|
电 话:021-31263820 |
|
传 真:021-51069308 |
|
手 机:15300626002 |
|
|
|
|
|
地 址:上海松江工业区南乐路 |
|
弘新生产的缓冲阀,驱动方式可选用电动,连接方式可选用螺纹,结构形式可选用自作用式,密封结构可选用软密封、硬密封,压力范围PN1.0-50MPa,公称通径为DN10mm,材质可选用铸钢、不锈钢。由于阀门的使用范围非常的广泛,同一种阀门在不同的场合与工况有不同的搭配,如果您是非专业人士,欢迎您向本公司来电咨询。本公司有专业技术人员为您服务!技术部电话:021-31263820 |
|
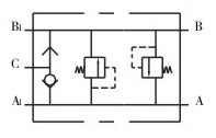
HFS10型缓冲阀图形符号

HFS10型缓冲阀技术参数 公称通径:10mm 公称流量:40L/min 公称压力:21MPa 调定压力:10MPa 适用介质:液压油
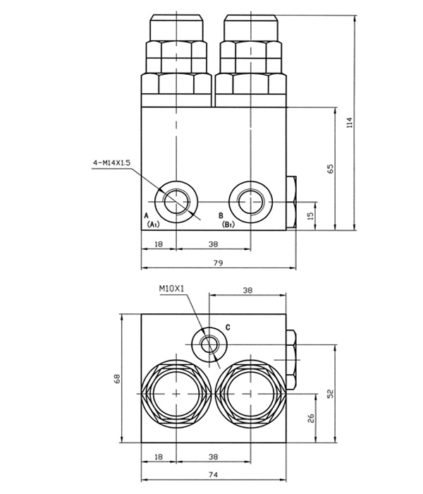
HFS10型缓冲阀外形尺寸

|
|
|
首先是中国的南水北调工程,仅北京郊区至市区70公里的长度内,用于阀门采购的金额就高达几千万元,那么整个南水北调工程对阀门的需求量则可想而知。其次,为解决用电紧张问题,规模性地上马水电项目不仅是中国政府的当务之急,也将是一项长期的任务。 |
|
|
|
|
|
|
|
|
|
|
|
|
|
|
|
|
|
|
|
|
|
|
|
|
|
|
|
|
|
|
|
|
|
|
|
|
|
此外,还有西气东输、老工业基地改造、城市管网建设、民居工程、污水处理、农田水利等诸多项目都将引爆阀门市场的巨大需求。 |
|
电 话: |
021-31263820 |
传 真:021-51069308 |
手 机:15300626002 |
|
邮 箱: |
|
网 址: |
|
|
地 址: |
上海松江工业区南乐路 |
|
|
|
然而,面对如此庞大的未来市场,中国的阀门生产企业究竟能够从中分食到多少订单在与外资的抗衡中,他们的差距到底有多大这些问题,恐怕才中国的阀门制造商最为关心的。 |